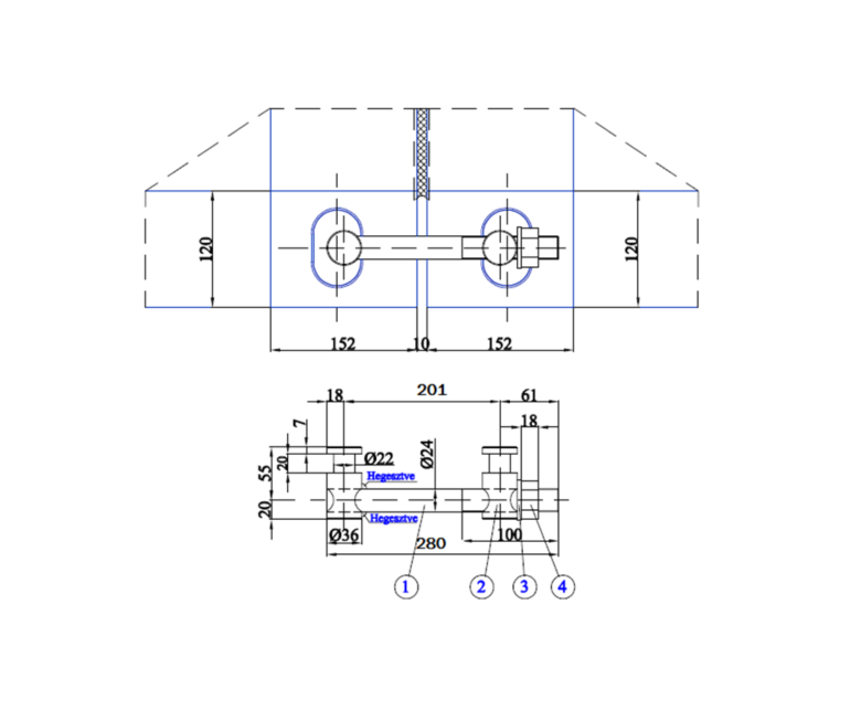
Hot dip galvanized fixing screws for securing containers together in case of freighting, storage or container buildings. (DNV-GL certificate). Horizontal and vertical fixing possibility.
Hot dip galvanized fixing screws for securing containers together in case of freighting, storage or container buildings. (DNV-GL certificate). Horizontal and vertical fixing possibility.